罗斯蒙特微量溶解氧传感器(标配电缆是7.6m) 型号:499ATRDO-54 DO库号:M411943
罗斯蒙特微量溶解氧传感器
型号:499ATRDO-54 DO
特点
坚固的刚性结构;
隔膜换方便,无需工具
自动补偿由于温度变化对传感器隔隔渗*透性的影响
自动压力平衡,防*止隔隔隔膜变形
自耗型设计,快速内部氧量补偿,传感器维护标
定时间短
可与1055、1056、54eA、Xmt-A和5081-A分析仪配套使用。
订购信息
499ATrDO微量溶解氧传感器可以测量ppb级溶解氧。每个传感器供货时配3片薄膜组件、3个O型密封圈和1瓶4盎si(125毫升)的电解液。为了降低传感器的恢复时间,在运输时,应将传感器的隔膜浸泡在装有饱和的亚liusuan钠零氧溶液的?;っ蹦?。
499A TrDO微量溶解氧传感器
代码54:配1055-25、54eA、5081-A和Xmt-A分析仪
代码60:配EMI(抗电磁干扰)/RFI(抗无线电干扰)电缆
代码VP:带VP6.0电缆接头传感器(连接电缆单独订货)
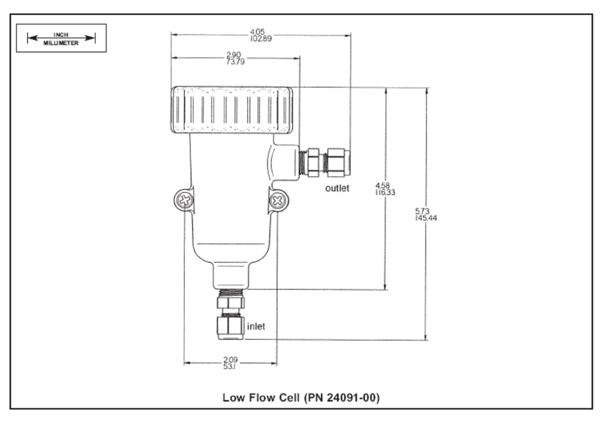
代码70:包括低流量流通池(PN:24091-00)
型号举例:499A TrDO-54-60-VP
传感器技术规格
工作压力1:0-65psig(0-549KPa,绝*压)
工作温度:工作温度:5-45℃(41-113°F);储存温度:0-60C(32-140°F)
湿材料*:Noryl,Viton,聚四氟乙烯,有机硅
阴电极:金(不是通常的湿材料*)
过程连接:1”MNPT
电解液量:约25毫升
电解液使用寿命:约4-6个月
传感器寿命:约2年
测温电阻:Pt100
电缆长度(标准一体化电缆):25英尺(7.6米)
电缆长度:≤300英尺(91米)
测量范围:0.1ppb-20ppm
测量精度:25℃时(按空气中标定),<20ppb,+1ppb;>20ppb,读数的±5%
漂 移:60天,<4%
采样流量:流量从100毫升/分钟变为400毫升/分钟,响应速度增*加小于2%;流量为50毫升/分钟时,传感器的响应值约为100高升/分钟时测量值的90%






相关产品
免责声明
客服热线: 18358129118
加盟热线: 18358129118
媒体合作: 0571-87759945
投诉热线: 0571-87759942

下载仪表站APP

Ybzhan手机版

Ybzhan公众号

Ybzhan小程序